首頁
公司介紹
新聞中心
組織機構
服務理念
售後服務
聯系我們
産品中心
jtgk.png

産品中心

SD341X,SD343H伸縮蝶閥

您的位置:閥門 - 蝶閥 - SD341X,SD343H伸縮蝶閥 更新時間:2026-01-12 02:01:59
SD341X,SD343H伸縮蝶閥
    • 質量安全:壓力、材質、密封等全方位檢測确保質量過關!
    • 價格比較:在相同品質的情況下,廠裏直銷,更具有優勢!
    • 交貨快捷:常規産品現貨供應,生産加工銷售一條龍服務!
      上海凱利科閥門緻力于高品質閥門的設計、研發、生産銷售服務于一體的大型閥門企業,科技創新,永不止步,與您攜手共創輝煌...

    • 産品描述
    • 在線詢價
    • 技術咨詢
    SD341X,SD343H伸縮蝶閥SD341X,SD343H伸縮蝶閥

    SD341X/SD343H伸縮蝶閥具有自動補償管道熱脹冷縮方便裝卸的功能,使用于溫度在425℃以下,公稱壓力在1.6MPa以下的石油、化工、電力、造紙、給排水和市政建設等工業管道上作調節流量和載斷流體的最佳裝置。

    産品名稱: 伸縮蝶閥 産品型号: SD341X/SD343H
    公稱通徑: DN40~DN1200 閥座密封: 橡膠密封或金屬硬密封
    公稱壓力: 0.6MPa~1.0MPa~1.6MPa 連接方式: 法蘭式
    适用溫度: -30ºC~+425ºC 驅動方式: 手動、蝸輪、電動、氣動、液動
    閥體材質: 鑄鐵、球墨鑄鐵、鑄鋼、不鏽鋼 制造标準: 國标GB、德國DIN、美國API、ANSI
    适用介質: 空氣、水、蒸氣、煤氣、油品等 生産廠家: 上海凱利科閥門有限公司

    産品說明

    SD341X/SD343H伸縮蝶閥具有自動補償管道熱脹冷縮方便裝卸的功能,使用于溫度在425℃以下,公稱壓力在1.6MPa以下的石油、化工、電力、造紙、給排水和市政建設等工業管道上作調節流量和載斷流體的最佳裝置。

    産品特點

    1、結構獨特,設計靈活,重量輕,省力,啓閉迅速。
    2、伸縮蝶閥不僅能補償管道溫差縮産生的熱脹冷縮的功能,還能爲維修閥門安裝更換提供方便。
    3、密封部位可調節更換,密封性能可靠。

    性能參數

    工作壓力(MPa) 0.6 1.0、1.6、2.5
    适用溫度(℃) 橡膠密封≤80℃ 适用溫度(℃) 金屬硬密封≤425℃
    适用介質 水、污水、油品、空氣等 适用介質 水、蒸汽、污水、油品、空氣等
    材料 閥體 灰鑄鐵 灰鑄鐵、鑄鋼 球墨鑄鐵
    蝶闆 球墨鑄鐵(表面處理) 球墨鑄鐵、不鏽鋼 球墨鑄鐵
    閥杆 2Cr13 不鏽鋼、碳素鋼 鉻不鏽鋼

    技術參數

    公稱通徑 DN(mm) 50~2200
    公稱壓力 PN(MPa) 0.6 1.0 1.6
    試驗壓力 強度試驗 0.9 1.5 2.4
    密封試驗 0.66 1.1 1.76
    氣密封試驗 0.6 0.6 0.6
    适用溫度 ≤80℃~425℃
    适用介質 空氣、水、蒸氣、煤氣、油品等。
    驅動形式 手動、蝸杆蝸輪傳動、氣傳動、電傳動。

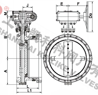
    外形結構圖

    主要外形尺寸

    DN L L1 max A B E F J M Do
    50 160 172 83 120 90 205 83 115 200
    65 160 172 89 145 90 205 83 115 200
    80 180 195 98 158 90 205 83 115 200
    100 195 215 110 170 90 205 83 115 200
    125 205 225 123 182 90 205 83 115 200
    150 205 225 140 210 90 205 83 115 200
    200 218 238 170 238 90 205 83 115 200
    250 233 258 195 270 90 205 83 134 250
    300 248 268 222 300 90 205 83 134 250
    350 278 303 252 330 120 265 141 159 250
    400 298 323 285 368 120 265 141 159 250
    450 311 336 310 402 185 250 115 163 250
    500 330 355 337 438 185 250 115 163 315
    600 350 375 393 490 245 400 145 185 315
    700 364 395 450 558 245 400 145 185 315
    800 415 445 515 625 310 460 191 220 315
    900 435 475 560 685 310 460 191 220 400
    1000 510 550 610 750 410 55 270 255 400
    1200 590 630 825 880 410 55 270 255 400
    1400 590 630 840 987 520 640 351 320 400
    1600 626 660 960 1158 520 785 440 335 630
    1800 670 710 1060 1258 520 640 351 320 400
    2000 680 720 1165 1365 520 640 351 320 400
    2200 700 740 1325 1470 520 640 351 320 400

    安裝注意事項

    1、安裝前必須平放,切勿随意磕碰,運行時嚴禁将支架卸掉。
    2、出廠時結構長度爲最小長度,安裝時,拉至安裝長度(即設計長度)。
    3、當管道間長度超過伸縮閥安裝長度時,請調整管道間隔,切勿強行拉伸縮蝶閥,以免損壞蝶閥。
    4、可在任意安裝,做溫度補償用時,在管道安裝完成後,需沿管道軸線方向兩端加支架,防止伸縮閥伸縮管拉出。
     

    聲明:【SD341X,SD343H伸縮蝶閥】規格型号、結構尺寸由上海凱利科閥門有限公司提供,如何選擇适用的SD341X,SD343H伸縮蝶閥産品,使之在工藝控制中安全可靠、經濟适用,可緻電我司銷售部門及技術部門,我們将在最短的時間内爲您解答!

    

    Copyright ©2011-2023 上海凱利科閥門有限公司,版權所有。 京ICP證000000号

    銷售電話:021-31001158

    手機号碼:13816746668 陳國輝/經理

    電子郵件:klkvalves@126.com@126.com

    主營産品:球閥,閘閥,蝶閥,截止閥,止回閥,調節閥

    本周熱門:不鏽鋼阻火器全天候呼吸閥氣動球閥氣動蝶閥氣動刀閘閥氣動調節閥電動球閥電動蝶閥電動刀閘閥電動調節閥不鏽鋼球閥不鏽鋼閘閥不鏽鋼截止閥不鏽鋼止回閥不鏽鋼電磁閥高壓電磁閥高壓球閥波紋管截止閥

    官方網址:www.fm058.com