D671X氣動蝶閥
D671X氣動蝶閥是由氣動活塞式執行器、橡膠密封蝶閥和碳鋼或不鏽鋼閥闆、閥杆構成。氣動蝶閥适用于溫度≤120℃如食品、醫藥、化工、石油、電力、輕紡、造紙等給排水、氣體管道上作調節流量和截流介質的作用。
|
産品名稱: |
氣動蝶閥 |
産品型号: |
D671X、D671F |
|
公稱通徑: |
DN50~DN1000 |
閥座密封: |
丁青橡膠、聚四氟乙烯 |
|
公稱壓力: |
1.0Mpa~1.6MPa |
連接方式: |
對夾、法蘭 |
|
适用溫度: |
-20ºC~+150ºC |
驅動方式: |
手動、蝸輪、電動、氣動 |
|
閥體材質: |
鑄鐵、球墨鑄鐵、鑄鋼、不鏽鋼 |
制造标準: |
國标GB、德國DIN、美國API、ANSI |
|
适用介質: |
水、油、氣體、粉體、液體 |
生産廠家: |
上海凱利科閥門有限公司 |
産品說明
D671X氣動蝶閥是由氣動活塞式執行器、橡膠密封蝶閥和碳鋼或不鏽鋼閥闆、閥杆構成。氣動蝶閥适用于溫度≤120℃如食品、醫藥、化工、石油、電力、輕紡、造紙等給排水、氣體管道上作調節流量和截流介質的作用。
主要特點
(1)設計新穎、合理、結構獨特,重量輕,啓閉迅速。
(2)操力矩小,操作方便,省力靈巧。
(3)可以任何位置安裝,維修方便。
(4)密封件可以更換,密封性能可靠達到雙向密封零洩漏。
(5)密封材料耐老化、耐腐蝕,使用壽命長等特點。
設計标準
|
設計标準 |
GB/T12238-1989 |
|
法蘭連接尺寸 |
GB/T9113.1-2000;GB/T9115.1-2000;JB78 |
|
結構長度 |
GB/T12221-1989 |
|
壓力試驗 |
GB/T13927-2000;JB/T9092-1999 |
技術參數
|
公稱通徑DN(mm) |
DN50~1000mm |
|
公稱壓力(MPa) |
PN1.0、1.6、2.5MPa |
|
閥體形式 |
直通鑄造閥體 |
|
連接形式 |
法蘭式、對夾式 |
|
閥芯形式 |
蝶闆式 |
|
密封填料 |
柔性石墨、聚四氟乙烯 |
|
基本誤差 |
帶定位器:小于全行程的±2% |
|
回差 |
帶定位器:小于全行程的±2% |
|
控制方式 |
開關型(開關兩位控制)、調節型(4~20mA控制) |
氣動執行器參數
|
執行器型号 |
GT、AT、AR、AW系列單雙作用氣動執行器 |
|
供氣壓力 |
0.4~0.7MPa |
|
氣源接口 |
G1/4"、G1/8"、G3/8"、G1/2" |
|
環境溫度 |
-30~+70℃ |
|
作用形式 |
單作用執行機構:氣關式(B)--失氣時閥位開(FO);氣開式(K)--失氣時閥位關(FC)
雙作用執行機構:氣關式(B)--失氣時閥位保持(FL);氣開式(K)-- 失氣時閥位保持(FL) |
|
可配附件 |
定位器、電磁閥、空氣過濾減壓器、保位閥、行程開關、閥位傳送器、手輪機構等 |
采用新型系列氣動執行器,有雙作用式和單作用式(彈簧複位),齒輪齒條傳動,安全可靠;大口徑閥門采用系列AW型氣動執行器拔叉式傳動,結構合理,輸出扭矩大,有雙作用式和單作用式。
1、齒輪式雙活塞,輸出力矩大,體積小。
2、氣缸選用鋁金材料,重量輕、外形美觀。
3、可在頂部、底部安裝手動操作機構。
4、齒條式連接可調節開啓角度、額定流量。
5、執行器可選帶電訊号反饋指示及各類附件以實現自動化操作。
6、IS05211标準連接爲産品的安裝更換提供了方便。
7、兩端調的節螺釘可使标準産品在0°和90°有±4°的可調範圍。确保與閥門的同步精度。
零件材料
|
零件名稱 |
主要材料 |
|
閥體 |
灰鑄鐵、球墨鑄鐵、鑄鋼、合金鋼、不鏽鋼 |
|
蝶闆 |
灰鑄鐵、球墨鑄鋼、鑄鋼、不鏽鋼及特殊材料 |
|
密封圈 |
各種橡膠、聚四氟 |
|
閥杆 |
2Cr13、不鏽鋼 |
|
填料 |
O型圈、柔性石墨O |
性能規範
|
公稱通徑 |
DN(mm) |
50~1000 |
|
公稱壓力 |
PN(MPa) |
0.6 |
1.0 |
1.6 |
|
試驗壓力 |
強度試驗 |
0.9 |
1.5 |
2.4 |
|
密封試驗 |
0.66 |
1.1 |
1.76 |
|
氣密封試驗 |
0.6 |
0.6 |
0.6 |
|
适用介質 |
空氣、水、污水、蒸氣、煤氣、油品等。 |
|
驅動形式 |
氣動傳動 |
密封材料和适用溫度
|
材料品種 |
氯丁橡膠 |
丁晴橡膠 |
乙丙橡膠 |
聚四氟乙烯 |
矽橡膠 |
氟橡膠 |
天然橡膠 |
尼龍 |
|
英語簡稱 |
CR |
NBR |
EPDM |
PTFE |
SI |
VITON |
NR |
PA |
|
型号代号 |
X或J |
XA或JA |
XB或JB |
F或XC、JC |
XD或JD |
XE或JE |
X1 |
N |
|
耐最高溫度 |
82℃ |
93℃ |
150℃ |
232℃ |
250℃ |
204℃ |
85℃ |
93℃ |
|
耐最低溫度 |
-40℃ |
-40℃ |
-40℃ |
-268℃ |
-70℃ |
-23℃ |
-20℃ |
-73℃ |
|
适用工作溫度 |
0~+80℃ |
-20~+82℃ |
-40~+125℃ |
-30~+150℃ |
-70~+150℃ |
-23~+150℃ |
-20~+85℃ |
-30~+93℃ |
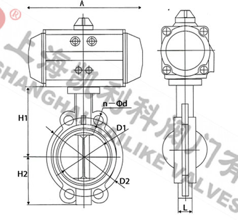
外形結構圖
主要外形連接尺寸
|
公稱通徑 |
長度 |
外形尺寸(參考值) |
連接尺寸(标準值) |
|
0.6MPa |
1.0MPa |
1.6MPa |
|
毫米 |
英寸 |
L |
H1 |
H2 |
A |
D |
D1 |
n-d |
D |
D1 |
n-d |
D |
D1 |
n-d |
|
50 |
2 |
43 |
63 |
315 |
180 |
140 |
110 |
4-14 |
165 |
125 |
4-18 |
165 |
125 |
4-18 |
|
65 |
21/2 |
46 |
70 |
330 |
180 |
160 |
130 |
4-14 |
185 |
145 |
4-18 |
185 |
145 |
4-18 |
|
80 |
3 |
46 |
83 |
390 |
245 |
190 |
150 |
4-18 |
200 |
160 |
8-18 |
200 |
160 |
8-18 |
|
100 |
4 |
52 |
105 |
431 |
240 |
210 |
170 |
4-18 |
220 |
180 |
8-18 |
220 |
180 |
8-18 |
|
125 |
5 |
56 |
115 |
455 |
240 |
240 |
200 |
8-18 |
250 |
210 |
8-18 |
250 |
210 |
8-18 |
|
150 |
6 |
56 |
137 |
626 |
350 |
265 |
225 |
8-18 |
285 |
240 |
8-22 |
285 |
240 |
8-22 |
|
200 |
8 |
60 |
164 |
720 |
350 |
320 |
280 |
8-18 |
340 |
295 |
8-22 |
340 |
295 |
12-22 |
|
250 |
10 |
68 |
206 |
800 |
550 |
375 |
335 |
12-18 |
395 |
350 |
12-22 |
405 |
355 |
12-26 |
|
300 |
12 |
78 |
230 |
860 |
600 |
440 |
395 |
12-22 |
445 |
400 |
12-22 |
460 |
410 |
12-26 |
|
350 |
14 |
78 |
248 |
883 |
600 |
490 |
445 |
12-22 |
505 |
460 |
16-22 |
520 |
470 |
16-26 |
|
400 |
16 |
102 |
289 |
972 |
600 |
540 |
495 |
16-22 |
565 |
515 |
16-26 |
580 |
525 |
16-30 |
|
450 |
18 |
114 |
320 |
1043 |
750 |
595 |
550 |
16-22 |
615 |
565 |
20-26 |
640 |
585 |
20-30 |
|
500 |
20 |
127 |
343 |
1098 |
750 |
645 |
600 |
20-22 |
670 |
620 |
20-26 |
715 |
650 |
20-33 |
|
600 |
24 |
154 |
413 |
1236 |
750 |
755 |
705 |
20-26 |
780 |
725 |
20-30 |
840 |
770 |
20-36 |
|
700 |
28 |
165 |
478 |
1431 |
750 |
860 |
810 |
24-26 |
895 |
840 |
24-30 |
910 |
840 |
24-36 |
|
800 |
32 |
190 |
525 |
1488 |
750 |
975 |
920 |
24-30 |
1015 |
950 |
24-33 |
1025 |
950 |
24-39 |
|
900 |
36 |
203 |
620 |
1615 |
1250 |
1075 |
1020 |
24-30 |
1115 |
1050 |
28-33 |
1125 |
1050 |
28-39 |
|
1000 |
40 |
216 |
725 |
1765 |
1500 |
1175 |
1120 |
28-30 |
1230 |
1160 |
28-36 |
1255 |
1170 |
28-42 |
|
1200 |
48 |
254 |
780 |
1976 |
1500 |
1405 |
1340 |
32-33 |
1455 |
1380 |
32-39 |
1485 |
1390 |
32-48 |
聲明:【D671X氣動蝶閥】規格型号、結構尺寸由上海凱利科閥門有限公司提供,如何選擇适用的D671X氣動蝶閥産品,使之在工藝控制中安全可靠、經濟适用,可緻電我司銷售部門及技術部門,我們将在最短的時間内爲您解答! |